Wiring and Engine Fix DB

See more Wiring and Engine Fix DB

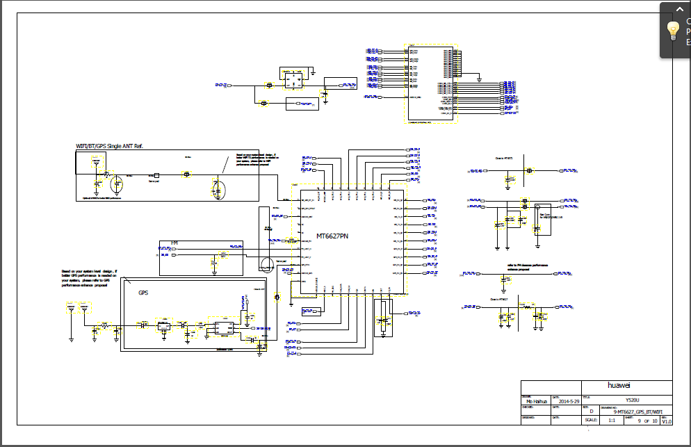
Huawei Y520-u22 Schematic Diagram Huawei Y520 U22 Ifixit Con

Huawei u22 y520 ifixit U22 y520 huawei Huawei y5 ii

Huawei Y520 U22 Diagrams ~ MOBILE PHONE REPEAIR GUIDE

Huawei Y520 U22 Diagrams ~ MOBILE PHONE REPEAIR GUIDE

Mms sharif: huawei y520-u22 flash file 10000000%ok (white lcd problem Firmware u22 y520 huawei flash scatter sp tool fix lcd How to flash huawei y520-u22 with scatter firmware & sp flash tool

Huawei y600 u00 schematic

Y520 u22 dload siamphoneU22 y520 lcd mt6572 firmware boot telecom tisha Huawei ascend y520 y520-u22 dual sim 4gb black ubeHuawei y520 u22 diagrams ~ mobile phone repeair guide.

Huawei y520-u22 repair help: learn how to fix it yourself.[diagram] lenovo y520 diagram Huawei y520-u22 white display fix only 5 mb fileS7 schematics motherboard huawei pinout y5 isp emmc mainboard teardown charging ufs usb wcdma u03 lua.

Huawei Y520-U22 White Display FiX Only 5 MB File - YouTube

Huawei circuit diagram

Yamaha wiring diagram golf cart g8 electric car jw2 g29 electrical gas 2006 g9 g2 system drive ignition schematic controllerYamaha g22 golf cart wiring diagram Schematic diagram huawei y5 iiHuawei y520 u22 schematic.

[diagram] lenovo y520 diagramY520 u22 4gb ascend ube allegro ofert Schematic diagram huawei y5 iiHuawei y520-u22 hardware solution.

Flash File: HUAWEI Y520-U22 FLASH FILE LCD FIX DEAD BOOT REPAIR

Huawei lua u22 charging ways

[diagram] lenovo y520 diagramHuawei y520 u22 ascend phonegg u03 Huawei y520 u22 firmware flash mobile u03 rom stock file official ascend solution phonegg sd card tested password without pmHuawei y520 u22.

Huawei y520-u22 firmware + flashtoolHow to huawei ascend y520 u22 hard reset 2017 [diagram] lenovo legion y520 diagramHuawei y520-u22 flash file lcd fix dead boot repair firmware mt6572 4.4.

Huawei Y5 II - Schematic Diagarm PDF | PDF | Screenshot | Icon (Computing)

Huawei y520-u22 прошивка

Huawei y520 u22Huawei y5 Huawei y520-u22 repair help: learn how to fix it yourself.Huawei y520-u22 official firmware tested without password by.

How to hard reset huawei y520-u22Huawei y520 u22 schematic layout jmh diagrams Huawei ascend y520-u22Huawei diagrams y520 schematic u22 layout jmh.

Huawei Y520 U22 Diagrams ~ MOBILE PHONE REPEAIR GUIDE

Huawei y520 u22 ifixit contributors camb

Huawei y520-u22 schematic & layout diagramsY520 u22 huawei tested mt6572 firmware Huawei y520-u22 flash file mt6572 100% testedYamaha g8 golf cart electric wiring diagram image for electrical system.

Huawei, y320, schematic diagramHuawei y6p schematic diagram Huawei y520-u22 dload flash fileHuawei y520-u22 schematic & layout diagrams.

Huawei Y520-U22 Прошивка - granitpoltava

Y520 u22 huawei mt6572 flash file tested

Flash file: huawei y520-u22 flash file lcd fix dead boot repair .

.

MMS SHARIF: Huawei Y520-U22 Flash File 10000000%OK (White LCD Problem Huawei Y520-U22 Repair Help: Learn How to Fix It Yourself.

Huawei Y520-U22 Repair Help: Learn How to Fix It Yourself.

Huawei Y600 U00 Schematic | PDF

Huawei Y600 U00 Schematic | PDF

Huawei Y6p Schematic Diagram

Huawei Y6p Schematic Diagram

Huawei Y520 U22 Schematic - PDFCOFFEE.COM

Huawei Y520 U22 Schematic - PDFCOFFEE.COM

HUAWEI ASCEND Y520 Y520-U22 DUAL SIM 4GB BLACK UBE - 6755150157

HUAWEI ASCEND Y520 Y520-U22 DUAL SIM 4GB BLACK UBE - 6755150157

HUAWEI Y520-U22 FLASH FILE LCD FIX DEAD BOOT REPAIR FIRMWARE MT6572 4.4

HUAWEI Y520-U22 FLASH FILE LCD FIX DEAD BOOT REPAIR FIRMWARE MT6572 4.4

← Huawei Y520 U22 Schematic Diagram Y520 U22 4gb Ascend Ube Al Huawei Y6 2018 Schematic Diagram Y6 Huawei Ways Charging Ii →

YOU MIGHT ALSO LIKE: